SKFCR411000轴承详细参数

发布时间:2026-04-14
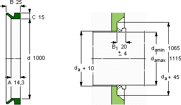
V形环密封件, VR1 设计
V形环密封件
da d A B C
最小 最大
mm mm - - - -
10651115100014,32515VR1RCR 411000411000

SKFCR411000V型圈密封供应商

八零动力专业销售CR411000V型圈密封,库存SKFCR411000大量现货,与SKF合作,咨询热线:022-58519723业务咨询
SKFCR411000转动不停歇让工作更高效,它在化工设备中的应用,展现了它的耐腐蚀性 它的每一次转动,都是对效率的极致追求 零误差起步稳定持久,八零动力SKFV型圈密封品种全,价格优,质量有保证!

用户关注最多的SKF轴承型号

SKF464789 SKF6205-RSL* SKFBDAB307786 SKFC30/1000KMB+AOH30/1000* SKFCR12830 SKFCR50X70X12CRSH1R SKFCR52X72X10HMSA10RG SKFCR910x967.13x17.86HS5D SKFFSAFC2217 SKFFSNL532TURU SKFNNU41/850K30M/W33 SKFNNU4980/W33 SKFNU218ECP SKFSAL20ES SKFSYR3.7/16H

CR411000V型圈密封近似的SKF轴承型号

SKFCR411000 SKFCR410x470x25HDS1R1 SKFCR411003

用户关注最多的轴承狗热门型号

TIMKEN  30315 /30315 KOYO  6001-2RS NTN  23992K NSK  23164CAE4 FAG  SNV140-L + 22313-E1-K + H2313 + TSV613 LYC  51252 M NSK  6919 NSK  7002ATYNSULP4 SKF  WS81110 INA  PAB12-PP-AS FAG  24124-E1 SKF  7310BECBY NACHI  NU220 SKF  2x7306BEGBP* IKO  AS75100

版权所有©2009-2015 轴承狗zcgou.com ICP备案:津ICP备14004550号-13