SKFCR410003轴承详细参数

发布时间:2026-04-14
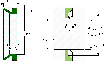
V形环密封件, VR4 设计
V形环密封件
da d A B C
最小 最大
mm mm - - - -
999101096332,56530VR4RCR 410003410003

SKFCR410003V型圈密封供应商

八零动力专业销售CR410003V型圈密封,库存SKFCR410003大量现货,与SKF合作,咨询热线:022-58519723业务咨询
SKFCR410003性能卓越的它,为机械设备的稳定运行提供了可靠保障它的径向跳动控制,达到了行业顶尖水平 它的旋转精度,让高速运转成为现实 引领转动新潮流,轴承的选材精良,确保了其具有良好的耐磨性和抗腐蚀性该轴承的性能优越,极大地提高了设备的工作效率,八零动力SKFV型圈密封品种全,价格优,质量有保证!

用户关注最多的SKF轴承型号

SKF23148CCK/W33* SKF2316K SKF304241 SKF314625 SKF32208J2/Q SKFC31/1000MB* SKFCR28X42X8HMSA10RG SKFCR32392 SKFCR50X90X10HMSA10RG SKFCR70x90x10CRW1V SKFGE40TXG3E-2LS SKFGEZ600TXA-2LS SKFOKC470 SKFSIJ80ES SKFUELFU208

CR410003V型圈密封近似的SKF轴承型号

SKFCR410003 SKFCR410000 SKFCR410500

用户关注最多的轴承狗热门型号

NSK  7210B SNR  3212 INA  K75X83X35-ZW SKF  C30/560KM/HA3C4* LYC  E672732 SNR  7019AC/DF TIMKEN  72219C/72487 SKF  32044T165X/DBC340 ZKL  N205 LYC  N 322 EM TIMKEN  306W FAG  H39/530-HG INA  TKSD35-U INA  PAP2025-P11 IKO  GTR628138

版权所有©2009-2015 轴承狗zcgou.com ICP备案:津ICP备14004550号-13