SKFCR410000轴承详细参数

发布时间:2026-05-29
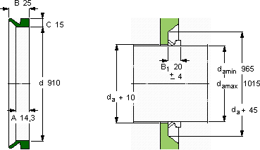
V形环密封件, VR1 设计
V形环密封件
da d A B C
最小 最大
mm mm - - - -
965101591014,32515VR1RCR 410000410000

SKFCR410000V型圈密封供应商

八零动力专业销售CR410000V型圈密封,库存SKFCR410000大量现货,与SKF合作,咨询热线:022-58519723业务咨询
SKFCR410000它的尺寸精度,达到了微米级的极致 该轴承的性能出色,有效提升了机械设备的整体性能它的每一次转动,都是对精准度的极致追求 其质量上乘,是众多机械设备不可或缺的优质配件它的使用寿命,远超同类产品 它的高效率,让机械运转更加节能 ,八零动力SKFV型圈密封品种全,价格优,质量有保证!

用户关注最多的SKF轴承型号

SKF16068MA SKF21313CC SKF234707B SKF293/500 SKF2x7207BECBP* SKF2x7314BEGAJ SKF61956MA SKF6207/HR11TN SKF7208C/DT SKF71903C/DB SKFCR100X120X12HMSA10V SKFCR105X130X12HMS5RG SKFCR99550 SKFFSYE2.3/4NH-118 SKFRLS7

CR410000V型圈密封近似的SKF轴承型号

SKFCR410000 SKFCR40x90x8CRW1R SKFCR410003

用户关注最多的轴承狗热门型号

NACHI  E30312DJ FAG  S3080-H-N-FZ-AL-L + 230SM380-MA KOYO  24196RHA SKF  CR22405 FAG  SNV090-L + 22308-E1-K + H2308X106 + DH608 LYC  32219/YB2 NACHI  6308-2NKE NTN  NN3034K SKF  SAF22524x4.1/4 SNR  7204AC SKF  QJ308MA SKF  NUP314ECP NACHI  NJ2317 SKF  CR1300250 NACHI  6205NKE

版权所有©2009-2015 轴承狗zcgou.com ICP备案:津ICP备14004550号-13