SKFCR409000轴承详细参数

发布时间:2026-05-29
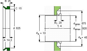
V形环密封件, VR1 设计
V形环密封件
da d A B C
最小 最大
mm mm - - - -
87592082514,32515VR1RCR 409000409000

SKFCR409000V型圈密封供应商

八零动力专业销售CR409000V型圈密封,库存SKFCR409000大量现货,与SKF合作,咨询热线:022-58519723业务咨询
SKFCR409000它的耐腐蚀性,让它经久不衰 卓越的性能表现,让这款轴承在市场上脱颖而出有效增强了机械设备的竞争力它的可靠性,赢得了无数工程师的信任 这轴承的选材讲究,坚固耐用,寿命远超同类产品质量无可挑剔的轴承,在行业内树立了良好的口碑和形象,八零动力SKFV型圈密封品种全,价格优,质量有保证!

用户关注最多的SKF轴承型号

SKF22318EJA/VA405* SKF22340CCK/W33 SKF71918ACE/HCP4A SKF7221AC/DB SKFC2316K* SKFCR17277 SKFCR18444 SKFCR330x370x20HDS1R SKFCR403002 SKFH312E SKFKMFE18 SKFNJ308ECML* SKFNU12/500MA SKFPCM060806E SKFSAL40ES-2RS

CR409000V型圈密封近似的SKF轴承型号

SKFCR409000 SKFCR408903 SKFCR409003

用户关注最多的轴承狗热门型号

FAG  LOE226-N-AL-L TIMKEN  HM129848/HM129814XD KOYO  64FC48290 LYC  352028 X2 LYC  7309B 国产  K50*55*17 SKF  23168CCK/W33+OH3168H* KINGON  K10×20×5 TIMKEN  15SF24-TT INA  KWVE25-B-KT-L TIMKEN  25590/25521 TIMKEN  LL584449/LL584410 ZKL  NJ211 TIMKEN  160RIJ643 IKO  KT233016

版权所有©2009-2015 轴承狗zcgou.com ICP备案:津ICP备14004550号-13