SKFCR406903轴承详细参数

发布时间:2026-04-14
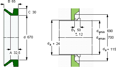
V形环密封件, VR4 设计
V形环密封件
da d A B C
最小 最大
mm mm - - - -
69070067032,56530VR4RCR 406903406903

SKFCR406903V型圈密封供应商

八零动力专业销售CR406903V型圈密封,库存SKFCR406903大量现货,与SKF合作,咨询热线:022-58519723业务咨询
SKFCR406903轴承的选材优质,确保了其在各种环境下都能稳定工作以精湛工艺坚固的结构稳定的性能它的轴向跳动控制,确保了机械的平稳运行 它的精密设计,展现了人类智慧的巅峰 承载重载历经岁月,八零动力SKFV型圈密封品种全,价格优,质量有保证!

用户关注最多的SKF轴承型号

SKF22334CCJA/W33VA406* SKF308NR SKF3309ATN9 SKF387A/382/Q SKF61822-2RS1 SKF71910FB/P7 SKF7215B/DB SKFBK5020 SKFBT2B334152/HA3 SKFCR35X52X6HMSA7P2R SKFCR50X85X10HMS5V SKFCR8X22X7HMSA10V SKFCR95X125X12HMS5RG SKFOH3992HE SKFUEL205

CR406903V型圈密封近似的SKF轴承型号

SKFCR406903 SKFCR406803 SKFCR407000

用户关注最多的轴承狗热门型号

TORRINGTON FAFNIR  7038C TIMKEN  A2047/A2126-B TIMKEN  78251D/78551+Y1S-78551 TIMKEN  67983/67920-B NTN  7011C/DB KOYO  7216AC/DB TIMKEN  32304 /32304 FAG  HCB7014-E-T-P4S NTN  NUP2328 LYC  NK 15/20 INA  WH25 MAC  NJ2312 KOYO  7226AC/DT BARDEN  7232C IKO  IRT4030

版权所有©2009-2015 轴承狗zcgou.com ICP备案:津ICP备14004550号-13