SKFCR406303轴承详细参数

发布时间:2026-04-14
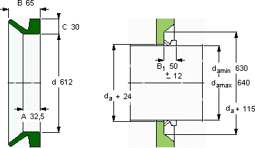
V形环密封件, VR4 设计
V形环密封件
da d A B C
最小 最大
mm mm - - - -
63064061232,56530VR4RCR 406303406303

SKFCR406303V型圈密封供应商

八零动力专业销售CR406303V型圈密封,库存SKFCR406303大量现货,与SKF合作,咨询热线:022-58519723业务咨询
SKFCR406303设计独特、性能优越的轴承,满足了不同用户的需求它的质量卓越,为机械设备的安全运行保驾护航它的加工设备,代表了世界领先水平 先进的制造技术和严格的质量检测,造就了这款优质轴承稳定旋转的核心力量它的使用寿命,远超同类产品 ,八零动力SKFV型圈密封品种全,价格优,质量有保证!

用户关注最多的SKF轴承型号

SKF2202ETN9 SKF22210CC/W33 SKF6210-Z* SKF7015ACD/HCP4A SKF71917CD/HCP4A SKF71922CD/HCP4A SKFBS2-2310-2CS/VT143* SKFCR26X42X7HMSA10RG SKFCR32X62X10HMS5RG SKFCR39851 SKFNJG2344VH SKFNN3034K/W33 SKFQJ211N2MA* SKFS7013CD/HCP4A SKFYAR206-2RF

CR406303V型圈密封近似的SKF轴承型号

SKFCR406303 SKFCR406203 SKFCR406403

用户关注最多的轴承狗热门型号

FAG  SNV190-L + 20318-K-MB-C3 + H318X302 + TCV518X308 NTN  NU2322 SKF  CR11123 SKF  K35x40x13 INA  GE400-DO MRC  NU309 KOYO  JM515649/10 SKF  71918ACD/HCP4A NTN  7036C/DF SNR  1206 TIMKEN  EE203136/203190 国产  62900 STEYR  NUP2210E INA  PAF30160-P14 IKO  LSBT20

版权所有©2009-2015 轴承狗zcgou.com ICP备案:津ICP备14004550号-13