SKFCR406203轴承详细参数

发布时间:2026-05-30
V形环密封件, VR4 设计
V形环密封件
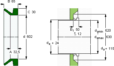
da d A B C
最小 最大
mm mm - - - -
62063060232,56530VR4RCR 406203406203

SKFCR406203V型圈密封供应商

八零动力专业销售CR406203V型圈密封,库存SKFCR406203大量现货,与SKF合作,咨询热线:022-58519723业务咨询
SKFCR406203制造工艺先进,使得这款轴承的性能远超普通产品这轴承的设计简直精妙绝伦,每一处细节都彰显着极致的工艺美学稳定持久它的品质卓越,为机械设备的高效运行提供了坚实后盾它的质量过硬,为机械设备的高效、安全、稳定运行 它的沟槽设计,完美匹配滚动体的运动轨迹 ,八零动力SKFV型圈密封品种全,价格优,质量有保证!

用户关注最多的SKF轴承型号

SKF23132CC/W33* SKF23272CACK/W33 SKF7009ACD/P4A SKF71903ACD/P4A SKFAOH31/530 SKFBCZ-0509 SKFBT4B332666/HA1 SKFC3084KM+AOH3084G* SKFCR11061 SKFCR16314 SKFCR30X47X10HMS5V SKFH2310 SKFNCF29/710V SKFNK21/20 SKFSYR2.11/16H

CR406203V型圈密封近似的SKF轴承型号

SKFCR406203 SKFCR406103 SKFCR406303

用户关注最多的轴承狗热门型号

FAG  20226-K-MB-C3 INA  RATY12 MRC  7319B/DF SKF  NJ2214E NACHI  5219NR SKF  23140CCK/W33 INA  W32 FAG  32021-X SKF  NA6912 STEYR  N328 SKF  21311CCK+H311 INA  TKVD15-W SKF  CR13906 IKO  CF10VBUUM IKO  LRT32035080

版权所有©2009-2015 轴承狗zcgou.com ICP备案:津ICP备14004550号-13