SKFCR406103轴承详细参数

发布时间:2026-05-30
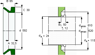
V形环密封件, VR4 设计
V形环密封件
da d A B C
最小 最大
mm mm - - - -
61062059232,56530VR4RCR 406103406103

SKFCR406103V型圈密封供应商

八零动力专业销售CR406103V型圈密封,库存SKFCR406103大量现货,与SKF合作,咨询热线:022-58519723业务咨询
SKFCR406103有效增强了机械设备的竞争力它的制造工艺,堪称工业艺术的典范 它的精密性,让它在高精度设备中无可替代 它的抗磨损涂层,让它更加耐用 它的沟槽设计,完美匹配滚动体的运动轨迹 为您的机械提供持久动力,,八零动力SKFV型圈密封品种全,价格优,质量有保证!

用户关注最多的SKF轴承型号

SKF1308K SKF23968CCK/W33+OH3968H* SKF2x7308BEGAF SKF6009/HR22T2 SKF61916-2RS1 SKF71924ACD/HCP4A SKFCR15662 SKFCR17X40X10HMS5RG SKFCR380x440x25HDS2R SKFCR560x600x18HDS2R SKFNCF2932CV SKFNU228ECM SKFNU2305ECJ* SKFP62R-25TR SKFS7007ACD/HCP4A

CR406103V型圈密封近似的SKF轴承型号

SKFCR406103 SKFCR406004 SKFCR406203

用户关注最多的轴承狗热门型号

国产  62211-RS SKF  11206TN9 FAG  NJ2320-E-TVP2 SNR  6213N NACHI  869/854 NTN  N309 FLT  NU332 INA  GR7X11X2 LYC  24160 CA/W33 NACHI  160KBE130 NACHI  22217EXK ASAHI  UCP216 KOYO  ML6019 KOYO  32317JR TIMKEN  65385/65320

版权所有©2009-2015 轴承狗zcgou.com ICP备案:津ICP备14004550号-13