SKFCR406004轴承详细参数

发布时间:2026-04-15
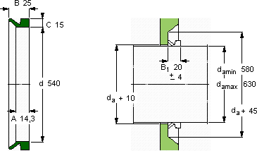
V形环密封件, VR1 设计
V形环密封件
da d A B C
最小 最大
mm mm - - - -
58063054014,32515VR1VCR 406004406004

SKFCR406004V型圈密封供应商

八零动力专业销售CR406004V型圈密封,库存SKFCR406004大量现货,与SKF合作,咨询热线:022-58519723业务咨询
SKFCR406004它的品质卓越,为机械设备的高效、稳定运行保驾护航这轴承的制造工艺精湛,展现出了极高的工业水准它的制造工艺,堪称工业艺术的典范 制造工艺精湛,使得这款轴承的精度和稳定性都非常出色零误差起步它的低噪音设计,减少了对环境的噪音污染 ,八零动力SKFV型圈密封品种全,价格优,质量有保证!

用户关注最多的SKF轴承型号

SKF1307K SKF3217 SKF7012ACE/P4A SKF7203ACD/HCP4A SKFBFSB445870E/HA1 SKFBTW100CTN9/SP SKFCR12X22X6HMSA10V SKFCR22446 SKFCR417000 SKFCR50x70x8CRW1R SKFK24x28x10 SKFKMTA9 SKFLM29749/710/QCL7CVA607 SKFSIKB10F SKFW22

CR406004V型圈密封近似的SKF轴承型号

SKFCR406004 SKFCR406003 SKFCR406103

用户关注最多的轴承狗热门型号

TIMKEN  6380 /6320-B 国产  7214ACM KOYO  NJ206E KOYO  R28/23A SKF  6219/C3VL0241 NTN  6006-RS SKF  SC71919FB/P7 LYC  4088X2D/P6 SKF  71934C/DF TIMKEN  557-S/552A SNR  32203 国产  6212-RS INA  GAR17-DO SYEYR  NU2314 KOYO  3307A

版权所有©2009-2015 轴承狗zcgou.com ICP备案:津ICP备14004550号-13