SKFCR406003轴承详细参数

发布时间:2026-04-14
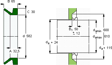
V形环密封件, VR4 设计
V形环密封件
da d A B C
最小 最大
mm mm - - - -
60061058232,56530VR4RCR 406003406003

SKFCR406003V型圈密封供应商

八零动力专业销售CR406003V型圈密封,库存SKFCR406003大量现货,与SKF合作,咨询热线:022-58519723业务咨询
SKFCR406003是您机械世界里的不败功臣,它在建筑机械中的应用,确保了设备的可靠性 高精度的制造工艺,造就了这款高品质的轴承要设备更出色它的微观表面处理,减少了摩擦和磨损 转动精彩,八零动力SKFV型圈密封品种全,价格优,质量有保证!

用户关注最多的SKF轴承型号

SKF22213CCK/W33 SKF248/1120CAK30FA/W20 SKF2x7311BEGAY SKF6005-2RS SKFCR32X52X7HMSA10RG SKFCR73X110X11.1CRWA1P SKFCR87070 SKFCR8X18X5HMS5RG SKFFNL509B SKFFYRP3.1/2H-3 SKFH319E SKFHM803146/2/110/2/QCL7C SKFNU1032 SKFNU20/800ECMA SKFSYE2.3/16H

CR406003V型圈密封近似的SKF轴承型号

SKFCR406003 SKFCR406002 SKFCR406004

用户关注最多的轴承狗热门型号

NSK  RLM435330-1 INA  GE65-SX FAG  SNV140-L + 20313-K-MB-C3 + H313X204 + TSV613X204 LYC  240/800/W33 INA  GE70-KRR-B FAG  B7022-C-2RSD-T-P4S LYC  130.32.2240.03 SKF  CR78X100X10HMSA10RG SKF  W01 SKF  23184CACK/W33 国产  NJ310 SKF  331978 SKF  24126CCK30/W33 IKO  KT202814EG IKO  LM122130F

版权所有©2009-2015 轴承狗zcgou.com ICP备案:津ICP备14004550号-13