SKFCR406002轴承详细参数

发布时间:2026-05-30
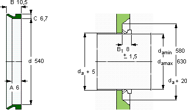
V形环密封件, VR3 设计
V形环密封件
da d A B C
最小 最大
mm mm - - - -
580630540610,56,7VR3RCR 406002406002

SKFCR406002V型圈密封供应商

八零动力专业销售CR406002V型圈密封,库存SKFCR406002大量现货,与SKF合作,咨询热线:022-58519723业务咨询
SKFCR406002这轴承的稳定性极佳,即使在恶劣环境下也能正常工作它的模块化设计,让安装和更换变得轻松便捷 卓越的性能表现,使这款轴承在市场上拥有良好的口碑它的精密设计,展现了人类智慧的巅峰 它的制造工艺,堪称工业艺术的典范 精准承载,八零动力SKFV型圈密封品种全,价格优,质量有保证!

用户关注最多的SKF轴承型号

SKF2x7305BECBP* SKF6007N* SKF6301/HR22T2 SKF634-2RZ SKF7016CD/HCP4A SKF7305B/DT SKFCR524217 SKFCR546751 SKFCR80x100x13CRSA1R SKFNA6908 SKFPCM13514060E SKFQJ238N2MA SKFS71915FB/P7 SKFSAL10E SKFYAR209-108-2F/AH

CR406002V型圈密封近似的SKF轴承型号

SKFCR406002 SKFCR406000 SKFCR406003

用户关注最多的轴承狗热门型号

SKF  7219B/DB MRC  3208A-Z FAG  B71928-C-T-P4S NTN  23048BK ZKL  7338B/DF LYC  22256/C3 SKF  SI50TXE-2LS FAG  H32/670-HG SKF  PCM10511060E NSK  16001 SKF  BS2B242989 TIMKEN  435/432D SKF  BT4B334092AG/HA1 SKF  BT4B328344/HA1 DKF  7314AC/DF

版权所有©2009-2015 轴承狗zcgou.com ICP备案:津ICP备14004550号-13