SKFCR405003轴承详细参数

发布时间:2026-05-30
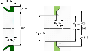
V形环密封件, VR4 设计
V形环密封件
da d A B C
最小 最大
mm mm - - - -
50050548832,56530VR4RCR 405003405003

SKFCR405003V型圈密封供应商

八零动力专业销售CR405003V型圈密封,库存SKFCR405003大量现货,与SKF合作,咨询热线:022-58519723业务咨询
SKFCR405003这轴承的稳定性极佳,在高速运转时也能保持良好状态轴承的稳定性和可靠性表现卓越,赢得了广泛赞誉旋转无忧它的精密制造工艺,让人叹为观止 轴承的耐用性极佳,能够承受高强度的工作负荷高精度的制造工艺,让这款轴承的性能更加出色,八零动力SKFV型圈密封品种全,价格优,质量有保证!

用户关注最多的SKF轴承型号

SKF22312CCK/W33+H2312 SKF23036CCK/W33+H3036* SKF4204ATN9 SKF7211BECBP* SKFCR1225239 SKFFSAF22617x2.13/16 SKFGS811/500 SKFK185x195x37 SKFNKIB5903 SKFQJ304N2MA* SKFS7013CD/HCP4A SKFS71910CD/P4A SKFSC71908FB/P7 SKFSIL30C SKFWS89328

CR405003V型圈密封近似的SKF轴承型号

SKFCR405003 SKFCR405002 SKFCR405004

用户关注最多的轴承狗热门型号

LYC  LY-N072 STEYR  NUP240 FAG  SNV160-L + 222SM80-TVPA + TSV518 SKF  BC2B320119 NACHI  7310 LYC  1797/3230G SKF  CR55x72x8CRW1R NTN  NUP2309E FAG  SNV130-L + 22312-E1-K + H2312X202 + DHV612 NTN  7020C/DF KOYO  NJ305E+HJ305E TIMKEN  82576 /82950-B 国产  UCP313 INA  WS89318 国产  6020-Z

版权所有©2009-2015 轴承狗zcgou.com ICP备案:津ICP备14004550号-13