SKFCR405002轴承详细参数

发布时间:2026-04-15
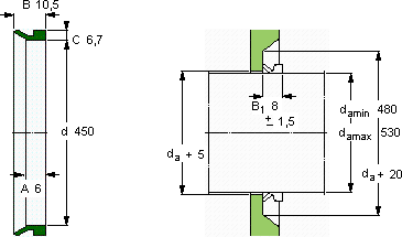
V形环密封件, VR3 设计
V形环密封件
da d A B C
最小 最大
mm mm - - - -
480530450610,56,7VR3RCR 405002405002

SKFCR405002V型圈密封供应商

八零动力专业销售CR405002V型圈密封,库存SKFCR405002大量现货,与SKF合作,咨询热线:022-58519723业务咨询
SKFCR405002它的抗剪切性能,确保了它的结构稳定性 它在农业机械中的应用,展现了它的耐用性 这款轴承的性能卓越,有效提升了设备的整体性能和可靠性它的沟槽设计,完美匹配滚动体的运动轨迹 它的低摩擦设计,减少了能量损耗 品质卓越的它,为机械设备的稳定、高效运行提供了支持,八零动力SKFV型圈密封品种全,价格优,质量有保证!

用户关注最多的SKF轴承型号

SKF353129A SKF5207E-2Z SKF71818CD/HCP4A SKFBB1B362809 SKFCR15X26X7HMSA10V SKFCR18492 SKFCR21267 SKFCR40X55X7HMSA10RG SKFCR531635 SKFNU1038 SKFNU2319ECML* SKFPF1.1/16WF SKFSAFC2617x3 SKFSNW3132x5.7/16 SKFW619/8

CR405002V型圈密封近似的SKF轴承型号

SKFCR405002 SKFCR405000 SKFCR405003

用户关注最多的轴承狗热门型号

RHP  1315 KOYO  61814 LYC  1797/3230G2YK TORRINGTON&FAFNIR  6040 SKF  23232CCK/W33+H2332* LYC  3208-2RS NTN  N1060 SKF  7007ACE/HCP4A SKF  71900CD/P4A FAG  BND3228-H-W-T-BL-S RIV  NUP232 NTN  7948 NSK  7920A5TYNSULP4 SKF  6208-2Z/VA208 Stieber  AS10

版权所有©2009-2015 轴承狗zcgou.com ICP备案:津ICP备14004550号-13