SKFCR405000轴承详细参数

发布时间:2026-04-15
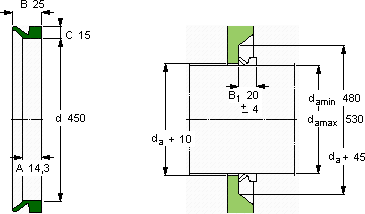
V形环密封件, VR1 设计
V形环密封件
da d A B C
最小 最大
mm mm - - - -
48053045014,32515VR1RCR 405000405000

SKFCR405000V型圈密封供应商

八零动力专业销售CR405000V型圈密封,库存SKFCR405000大量现货,与SKF合作,咨询热线:022-58519723业务咨询
SKFCR405000质量上乘的轴承,为设备的高效稳定运行奠定了基础它的尺寸一致性,让批量生产成为可能 它的滚动体与沟槽的配合,堪称完美 其设计和制造工艺都达到了国际先进水平,是一款优质轴承它的多样化应用,展现了它的无限可能 它的品质卓越,是提升机械设备整体性能的关键所在,八零动力SKFV型圈密封品种全,价格优,质量有保证!

用户关注最多的SKF轴承型号

SKF230/560CA/W33* SKF322/28BJ2/Q SKF61911-RS SKF628/5-2Z SKFBT2B332584A/HA2 SKFCR12339 SKFCR30X45X8HMSA10V SKFCR18658 SKFCR2238565 SKFCR48X72X7HMSA10V SKFF1.5/16FM SKFHMVC72E SKFKD10-153 SKFNJ319ECML* SKFNK68/35

CR405000V型圈密封近似的SKF轴承型号

SKFCR405000 SKFCR404903 SKFCR405002

用户关注最多的轴承狗热门型号

INA  GIKL6-PW RHP  7228B NSK  53306U SKF  TVN313WA SKF  BT4B334141G/HA1VA901 MRC  7010C/DT SKF  61908-2RZ SKF  CR30x62x7CRW1V TIMKEN  93708/93127CD/X1S-93708 FAG  BND2230-H-W-T-AL-S LYC  NJ 2305 M/YA1 FAG  SNV160-L + 2218-K-TVH-C3 + H318X303 + DH518 ZKL  NJ2310 SKF  PF1.1/4AWF IKO  LWHTG35

版权所有©2009-2015 轴承狗zcgou.com ICP备案:津ICP备14004550号-13