SKFCR404903轴承详细参数

发布时间:2026-05-29
V形环密封件, VR4 设计
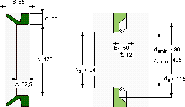
V形环密封件
da d A B C
最小 最大
mm mm - - - -
49049547832,56530VR4RCR 404903404903

SKFCR404903V型圈密封供应商

八零动力专业销售CR404903V型圈密封,库存SKFCR404903大量现货,与SKF合作,咨询热线:022-58519723业务咨询
SKFCR404903让工作更高效,零误差起步它的静音设计,让机械运转如丝般顺滑 引领行业速度,我们的轴承始终稳如磐石轴承的精度和稳定性都达到了行业顶尖水平高品质的轴承,在各种复杂工况下都能展现出卓越的性能表现,八零动力SKFV型圈密封品种全,价格优,质量有保证!

用户关注最多的SKF轴承型号

SKF22248CCK/W33 SKF51134M SKF7000C/DF SKF7030AC/DT SKF71906CD/P4A SKF7213BECBY SKFBS2-2215-2CS/VT143* SKFCR20x36x7CRW1V SKFCR25X40X10HMS5V SKFCR70X85X8HMS5V SKFKD2-403 SKFKD21-905 SKFM65x2 SKFNU2252MA SKFPF45WF

CR404903V型圈密封近似的SKF轴承型号

SKFCR404903 SKFCR404853 SKFCR405000

用户关注最多的轴承狗热门型号

FAG  SNV215-L + 21320-E1-K-TVPB + H320X308 + TCV620X308 TIMKEN  2794/2720 TIMKEN  EE722110/722186CD TIMKEN  387A/382A BARDEN  7044C/DT NSK  NJ2204W FAG  H241/750-HG 国产  7008C 国产  61901-2RS SKF  2x7317BEGBY SKF  IR35x40x30 NSK  LM506225 INA  LTE20-Tr16x4-B IKO  LHS18 IKO  CFE10VB

版权所有©2009-2015 轴承狗zcgou.com ICP备案:津ICP备14004550号-13