SKFCR404303轴承详细参数

发布时间:2026-05-30
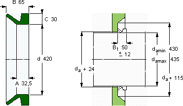
V形环密封件, VR4 设计
V形环密封件
da d A B C
最小 最大
mm mm - - - -
43043542032,56530VR4RCR 404303404303

SKFCR404303V型圈密封供应商

八零动力专业销售CR404303V型圈密封,库存SKFCR404303大量现货,与SKF合作,咨询热线:022-58519723业务咨询
SKFCR404303出色的性能表现,让这款轴承成为行业内的明星产品,轴承的精度和稳定性都达到了行业顶尖水平承载重托从制造工艺到实际性能,这款轴承都表现得十分出色,这轴承的稳定性极佳,即使在恶劣环境下也能正常工作它的滚动体分布均匀,运转平稳无振动 ,八零动力SKFV型圈密封品种全,价格优,质量有保证!

用户关注最多的SKF轴承型号

SKF16038 SKF22338CCK/W33+AH2338G* SKF30326J2 SKF32928 SKF61908-2RZ SKF62206-2RS1 SKFBK3512 SKFCR18555 SKFCR200X230X15HMSA10RG SKFCR57x92x11CRWH1R SKFNCF3036CV SKFNJ211ECM* SKFNJG2307VH SKFNJG2311VH SKFW026

CR404303V型圈密封近似的SKF轴承型号

SKFCR404303 SKFCR404103 SKFCR404500

用户关注最多的轴承狗热门型号

RHP  7324B/DB ASAHI  UCFU309 FAG  SNV215-L + 1320-K-M-C3 + H320 + DHV620 FAG  BND3024-H-C-Y-AF-S SKF  CR590762 FAG  S3072-H-N-FZ-BL-L + 230SM340-MA NSK  6922M NACHI  E33121J TORRINGTON  AS1226 SKF  FY55WF NSK  HR32912J TIMKEN  HH258248/HH258210CD SKF  RNA4828 TIMKEN  38KT IKO  CRH32VR

版权所有©2009-2015 轴承狗zcgou.com ICP备案:津ICP备14004550号-13