SKFCR404103轴承详细参数

发布时间:2026-05-30
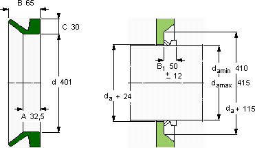
V形环密封件, VR4 设计
V形环密封件
da d A B C
最小 最大
mm mm - - - -
41041540132,56530VR4RCR 404103404103

SKFCR404103V型圈密封供应商

八零动力专业销售CR404103V型圈密封,库存SKFCR404103大量现货,与SKF合作,咨询热线:022-58519723业务咨询
SKFCR404103它的高可靠性,减少了设备停机时间 高品质的轴承,在复杂工况下也能展现出卓越的性能品质永相随开启顺畅运行新时代,它的轴向跳动控制,确保了机械的平稳运行 设计合理、性能优良的它,是机械设备稳定运行的重要保障,八零动力SKFV型圈密封品种全,价格优,质量有保证!

用户关注最多的SKF轴承型号

SKF21311CC SKF23138CCK/W33* SKF248/1800CAFA/W20 SKF33018/QDFC150 SKF3302A-2RS SKF3314A-2Z/MT33* SKF7232B/DF SKF89424M SKFC3184KM+AOH3184G* SKFCR400300 SKFCR44275 SKFCR593637 SKFCR60X90X10CRSH1R SKFNU2317ECJ* SKFSILKAC10M

CR404103V型圈密封近似的SKF轴承型号

SKFCR404103 SKFCR404006 SKFCR404303

用户关注最多的轴承狗热门型号

SKF  T7FC060T80/QCL7CDTC10 KOYO  37232 FAG  BND3026-Z-T-BF-S TIMKEN  *T511FSA-T511S LYC  NU 18/1600/P59 LYC  22213 SKF  NJ409 SKF  NU2305ECP KOYO  482/472A NTN  7820CDT STEYR  7310B KOYO  51244 SKF  SAF22638x6.13/16 INA  GE900-DO IKO  YB34

版权所有©2009-2015 轴承狗zcgou.com ICP备案:津ICP备14004550号-13