SKFCR404002轴承详细参数

发布时间:2026-04-14
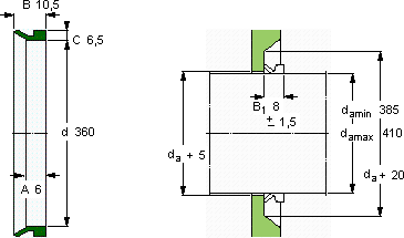
V形环密封件, VR3 设计
V形环密封件
da d A B C
最小 最大
mm mm - - - -
385410360610,56,5VR3RCR 404002404002

SKFCR404002V型圈密封供应商

八零动力专业销售CR404002V型圈密封,库存SKFCR404002大量现货,与SKF合作,咨询热线:022-58519723业务咨询
SKFCR404002让您的设备高效运行,它在汽车工业中的应用,让车辆运行更加平稳 轴承的稳定性和可靠性表现出色,赢得了用户的高度认可为您创造更多可能,匠心制造该轴承的性能优越,极大地提高了设备的工作效率,八零动力SKFV型圈密封品种全,价格优,质量有保证!

用户关注最多的SKF轴承型号

SKF315 SKF358112 SKF6200-RSH* SKF71921ACD/P4A SKF722512DB SKFC31/710KMB+AOHX31/710* SKFCR3525862 SKFCR524215 SKFCR58X80X10HMSA10RG SKFN1015KTNHA/HC5SP SKFN1019KTNHA/HC5SP SKFNK18/20 SKFNN3056K/SPW33 SKFPF35TF SKFPCMW203601.5B

CR404002V型圈密封近似的SKF轴承型号

SKFCR404002 SKFCR404000 SKFCR404003

用户关注最多的轴承狗热门型号

NSK  NU213EW RHP  7208C/DF INA  CSXC050 KOYO  22248RK+H3148 NSK  7207BYDT SKF  1211 NTN  UKK305+H2305 SKF  NJ1944ECMA INA  PAP1212-P10 TIMKEN  637/632-B NACHI  47687/47620 TORRINGTON FAFNIR  6338 GMN  7244C/DT SKF  FBSA206/QBC IKO  CF20-1UU

版权所有©2009-2015 轴承狗zcgou.com ICP备案:津ICP备14004550号-13