SKFCR403752轴承详细参数

发布时间:2026-04-29
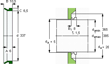
V形环密封件, VR3 设计
V形环密封件
da d A B C
最小 最大
mm mm - - - -
365385337610,56,5VR3RCR 403752403752

SKFCR403752V型圈密封供应商

八零动力专业销售CR403752V型圈密封,库存SKFCR403752大量现货,与SKF合作,咨询热线:022-58519723业务咨询
SKFCR403752它在风力发电中的应用,为清洁能源贡献力量 这轴承的质量过硬,经得起时间和高强度工作的考验转动的艺术它的精密制造工艺,让人叹为观止 它的抗磨损涂层,让它更加耐用 该轴承的性能卓越,完全满足了各种严苛工况的需求,八零动力SKFV型圈密封品种全,价格优,质量有保证!

用户关注最多的SKF轴承型号

SKF18590/18520/Q SKF314792A SKF33208 SKF6205-2Z/VA201 SKFCR11908 SKFCR2650560 SKFCR99262 SKFFY2.1/4TF/AH SKFFYRP3.11/16H-18 SKFFYRP4H SKFK43x48x27 SKFNK85/35 SKFNUC3004CV SKFSNW117x2.7/8 SKFSYR2.3/4N-118

CR403752V型圈密封近似的SKF轴承型号

SKFCR403752 SKFCR403750 SKFCR403753

用户关注最多的轴承狗热门型号

SKF  CR99726 SKF  2x7315BECBM* NACHI  E32312J SKF  2302 KOYO  6816ZZ NSK  55BNR19H ZKL  7217B/DF ZKL  N234 NACHI  6806NKE TIMKEN  SM1215KS NTN  N324 NSK  6992M NTN  NF214 NTN  7921DF 国产  6226

版权所有©2009-2015 轴承狗zcgou.com ICP备案:津ICP备14004550号-13