SKFCR403753轴承详细参数

发布时间:2026-05-30
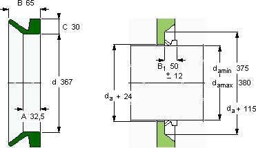
V形环密封件, VR4 设计
V形环密封件
da d A B C
最小 最大
mm mm - - - -
37538036732,56530VR4RCR 403753403753

SKFCR403753V型圈密封供应商

八零动力专业销售CR403753V型圈密封,库存SKFCR403753大量现货,与SKF合作,咨询热线:022-58519723业务咨询
SKFCR403753它的表面硬化处理,延长了它的使用寿命 设计合理、性能优良的它,是机械设备稳定运行的重要保障这款轴承的稳定性极佳,在长时间运行中也能保持良好状态高精度的轴承,为设备的稳定运行提供了坚实保障它在轨道交通中的应用,确保了列车的安全运行 它的抗氧化性能,延长了它的使用寿命 ,八零动力SKFV型圈密封品种全,价格优,质量有保证!

用户关注最多的SKF轴承型号

SKF234416B SKF32313J2/Q SKF5414A SKF71948CD/P4A SKF81168 SKFAS5578 SKFBTM60B/P4CDBB SKFC7022FB/P7 SKFCR28655 SKFFYTB30FM SKFLM501349/2/310/2/QCL7C SKFNNU41/1180M/W33 SKFS71920CD/HCP4A SKFSY1.1/16FM SKFSY1.3/8RM

CR403753V型圈密封近似的SKF轴承型号

SKFCR403753 SKFCR403752 SKFCR403754

用户关注最多的轴承狗热门型号

NTN  51102 LYC  6206 E/P2 MRC  7211C SKF  24048CC/W33 LYC  16011 国产  QJF330M SKF  CR18734 KOYO  7218AC/DF SKF  6319-Z SKF  23096CACK/W33+H3096 EASE  LB101929 SKF  230/530CA/W33 SKF  1313 LYC  NU 322 M/P5 IKO  MXD45

版权所有©2009-2015 轴承狗zcgou.com ICP备案:津ICP备14004550号-13