SKFCR403256轴承详细参数

发布时间:2026-05-30
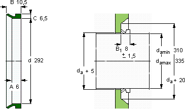
V形环密封件, VR3 设计
V形环密封件
da d A B C
最小 最大
mm mm - - - -
310335292610,56,5VR3VCR 403256403256

SKFCR403256V型圈密封供应商

八零动力专业销售CR403256V型圈密封,库存SKFCR403256大量现货,与SKF合作,咨询热线:022-58519723业务咨询
SKFCR403256这轴承的设计精妙,充分考虑了各种实际应用需求它的表面硬化处理,延长了它的使用寿命 它虽小,却是工业革命的基石 是机械世界的璀璨明星,它在冶金设备中的应用,确保了设备的高温性能 制造工艺精湛,使得这款轴承的精度和稳定性都非常出色,八零动力SKFV型圈密封品种全,价格优,质量有保证!

用户关注最多的SKF轴承型号

SKF23168CCK/W33+AOH3168G* SKF71964CD/P4A SKFC3980KM+OH3980HE* SKFCR400030 SKFCR49927 SKFCR55X100X13CRSH13R SKFGAC120F SKFNNU4136M/W33 SKFNA49/22 SKFNJ2324ECM* SKFNN3006KTN/SP SKFNNF5007ADA-2LSV SKFPF45TF SKFSAF22620 SKFVJ-PDNB224

CR403256V型圈密封近似的SKF轴承型号

SKFCR403256 SKFCR403254 SKFCR403500

用户关注最多的轴承狗热门型号

SKF  SYE2.-18 SKF  6034M SNR  1322 NSK  NN3020ZTBKR SKF  SNP3080x15 TIMKEN  6381/6320 TIMKEN  26348YM SKF  SDAF23080KAx15 FAG  BND2264-Z-T-AL-S SKF  VJ-PDNB206 国产  53213 KOYO  23132RHK+AH3132 NTN  7018AC/DT SKF  7209C/DF SKF  32968

版权所有©2009-2015 轴承狗zcgou.com ICP备案:津ICP备14004550号-13