SKFCR403254轴承详细参数

发布时间:2026-04-14
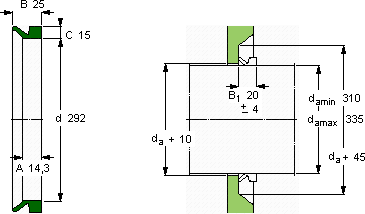
V形环密封件, VR1 设计
V形环密封件
da d A B C
最小 最大
mm mm - - - -
31033529214,32515VR1VCR 403254403254

SKFCR403254V型圈密封供应商

八零动力专业销售CR403254V型圈密封,库存SKFCR403254大量现货,与SKF合作,咨询热线:022-58519723业务咨询
SKFCR403254卓越的性能和可靠的质量,让这款轴承成为市场的宠儿制造工艺精湛,使得这款轴承的精度、稳定性和耐用性都非常出色让您的机械如虎添翼,它的加工设备,代表了世界领先水平 有效增强了机械设备的竞争力先进的生产工艺,打造出了这款性能卓越的轴承,八零动力SKFV型圈密封品种全,价格优,质量有保证!

用户关注最多的SKF轴承型号

SKF16008/HR22Q2 SKF232/670CA/W33 SKF24040CCK30/W33 SKF316689 SKF5308E-2RS1 SKF6309/VA201 SKF71914C/DB SKFC30/900MB* SKFCR48X68X10HMSA10RG SKFCR594334 SKFHE306 SKFNNCL4838CV SKFPWM505850 SKFS7028ACD/P4A SKFYAR204-2RF/W64

CR403254V型圈密封近似的SKF轴承型号

SKFCR403254 SKFCR403252 SKFCR403256

用户关注最多的轴承狗热门型号

STEYR  NJ2319E NSK  6918DDU LYC  LM 11910 TIMKEN  43112/43319D/X1S-43112 SKF  CR42X56X7HMS5V NACHI  6307-2NKE SKF  1313EKTN9 SKF  OKF390 LYC  249/1060/W33 YB KOYO  NU1017 FAG  SNV250-L + 20228-K-MB-C3 + H3028 + TCV528 NSK  NU2315W SKF  NNUD6056MAS IKO  TRU203820UU IKO  TAF354530-SG

版权所有©2009-2015 轴承狗zcgou.com ICP备案:津ICP备14004550号-13