SKFCR403500轴承详细参数

发布时间:2026-05-29
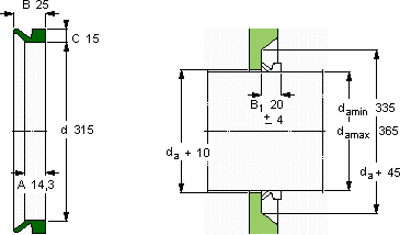
V形环密封件, VR1 设计
V形环密封件
da d A B C
最小 最大
mm mm - - - -
33536531514,32515VR1RCR 403500403500

SKFCR403500V型圈密封供应商

八零动力专业销售CR403500V型圈密封,库存SKFCR403500大量现货,与SKF合作,咨询热线:022-58519723业务咨询
SKFCR403500为您的设备保驾护航,让机械运转无忧高精度的制造工艺,造就了这款高品质的轴承它的精密设计,展现了人类智慧的巅峰 这轴承的制造工艺精湛,展现出了极高的工业水准该轴承的性能优越,极大地提高了设备的工作效率为您的机械提供持久动力,,八零动力SKFV型圈密封品种全,价格优,质量有保证!

用户关注最多的SKF轴承型号

SKF2216ETN9 SKF22244CC/W33* SKF23038CCK/W33+AH3038G* SKF2315M SKF6303-2Z* SKF71924DB/P7 SKF7209AC/DT SKF722515A SKFBT2B332780/HA5 SKFCR470x510x20HDS1R SKFFSAF22615 SKFLM102949/910/Q SKFPL72 SKFSAA50TXE-2LS SKFSAF22515x2.3/8

CR403500V型圈密封近似的SKF轴承型号

SKFCR403500 SKFCR403256 SKFCR403502

用户关注最多的轴承狗热门型号

FAG  S3056-H-N-FZ-BL-L + 23056B-K-MB SKF  315835A SKF  NU20/710ECMA SKF  32310BJ2/QCL7C KOYO  33207 国产  6220-N KOYO  624-RS SKF  YAR211-115-2F/AH FAG  AH2248-H FAG  BND3272-Z-T-BL-S LYC  16002 E/P5Z2 KOYO  6205N NTN  NU2318 KOYO  22338RK+AH2338 INA  KGBO16-PP-AS

版权所有©2009-2015 轴承狗zcgou.com ICP备案:津ICP备14004550号-13