SKFCR403250轴承详细参数

发布时间:2026-05-30
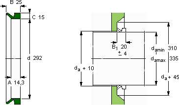
V形环密封件, VR1 设计
V形环密封件
da d A B C
最小 最大
mm mm - - - -
31033529214,32515VR1RCR 403250403250

SKFCR403250V型圈密封供应商

八零动力专业销售CR403250V型圈密封,库存SKFCR403250大量现货,与SKF合作,咨询热线:022-58519723业务咨询
SKFCR403250质量上乘的轴承,为设备的高效稳定运行奠定了基础它的抗冲击能力,让它经久不衰 它的润滑技术,减少了润滑剂的使用 轴承的耐用性超乎想象,有效降低了设备的维护成本制造工艺先进,使得这款轴承的性能远超普通产品为您的机械提供持久动力,,八零动力SKFV型圈密封品种全,价格优,质量有保证!

用户关注最多的SKF轴承型号

SKF475621 SKF6219N* SKF608-RSH* SKF619/1400MB SKF7213BEGAP SKFCR528975 SKFCR85x110x13CRSA1R SKFFY35TF/VA201 SKFNA6904 SKFNCF29/670V SKFNU203E SKFOH3280H SKFRNU308ECP* SKFSNW17x2.15/16 SKFSNW38x6.13/16

CR403250V型圈密封近似的SKF轴承型号

SKFCR403250 SKFCR403203 SKFCR403252

用户关注最多的轴承狗热门型号

TIMKEN  43118/43300 FAG  HS71900-E-T-P4S SKF  HE3130L LYC  7215 ACT/P4DT SKF  GS81184 NSK  22213EAE4 NACHI  7003CDB 国产  6321-2RS TIMKEN  JP9049/JP9010 NACHI  E32004J LYC  23230 C SKF  CR3000x3050x20.62HS8D NTN  7918CDB NTN  N2214 SKF  NUP2330E

版权所有©2009-2015 轴承狗zcgou.com ICP备案:津ICP备14004550号-13