SKFCR403203轴承详细参数

发布时间:2026-05-30
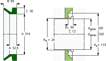
V形环密封件, VR4 设计
V形环密封件
da d A B C
最小 最大
mm mm - - - -
32032531432,56530VR4RCR 403203403203

SKFCR403203V型圈密封供应商

八零动力专业销售CR403203V型圈密封,库存SKFCR403203大量现货,与SKF合作,咨询热线:022-58519723业务咨询
SKFCR403203它的抗冲击能力,让它经久不衰 是您设备高效运转的可靠伙伴,转动精彩为您的机械提供持久动力,设计合理、性能优良的它,是机械设备实现高效运行的重要保障轴承的性能可靠,为机械设备的稳定运行立下汗马功劳,八零动力SKFV型圈密封品种全,价格优,质量有保证!

用户关注最多的SKF轴承型号

SKF21320E* SKF2211E-2RS1KTN9 SKF23060CC/W33 SKF23138CCK/W33 SKF330529B SKF6002-RSH* SKF6009/HR11QN SKFBT2B328705/HA1 SKFBTM100B/P4CDBA SKFCR99687 SKFMS30/710 SKFNU1032ML SKFNU2234ECMA SKFNU3164ECMA SKFP5/8FM

CR403203V型圈密封近似的SKF轴承型号

SKFCR403203 SKFCR403006 SKFCR403250

用户关注最多的轴承狗热门型号

TIMKEN  3578 /3525-B LYC  32936/P5 SKF  SA8E SKF  OKC510 NSK  2316K NTN  6004-RS LYC  1606 FAG  SNV270-L + 222SM135-TVPA + DHV530 NACHI  7210B LYC  132.50.3550.12 NACHI  63/32NSE SKF  7209AC/DB SKF  OKC650 SKF  NU1020 NSK  HR32312J

版权所有©2009-2015 轴承狗zcgou.com ICP备案:津ICP备14004550号-13