SKFCR403002轴承详细参数

发布时间:2026-04-15
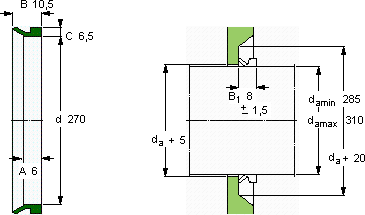
V形环密封件, VR3 设计
V形环密封件
da d A B C
最小 最大
mm mm - - - -
285310270610,56,5VR3RCR 403002403002

SKFCR403002V型圈密封供应商

八零动力专业销售CR403002V型圈密封,库存SKFCR403002大量现货,与SKF合作,咨询热线:022-58519723业务咨询
SKFCR403002它的疲劳强度,确保了长期使用的可靠性 转动不停歇轴承的精度极高,使得设备的运行误差被控制在极小范围内给您意想不到的顺畅体验,这款轴承的性能卓越,有效提升了设备的整体性能和可靠性稳定旋转的核心力量,八零动力SKFV型圈密封品种全,价格优,质量有保证!

用户关注最多的SKF轴承型号

SKF22338CC/W33* SKF2x7321BEGAM SKF351182C SKF51116 SKF71918AC SKF7234AC/DB SKFCR12590 SKFCR25037 SKFCR80X95X10CRSH13R SKFFBSA205/QFC SKFHMV64E SKFLM603049/011/Q SKFPCZ2816B SKFS7010CD/HCP4A SKFWS89311

CR403002V型圈密封近似的SKF轴承型号

SKFCR403002 SKFCR403000 SKFCR403004

用户关注最多的轴承狗热门型号

NSK  32236 SKF  GEH20ES-2RS NACHI  23034EW33 INA  ZARF2068-L-TV NTN  RNA4822 TORRINGTON&FAFNIR  6213N LYC  3-252 INA  LFS32-OV-300/90-VBS STEYR  7222B/DB RHP  NU2316 NSK  230/1000CAE4 NTN  51200 INA  NKI90/36 EASE  LB51222AJ TIMKEN  558-S/552D

版权所有©2009-2015 轴承狗zcgou.com ICP备案:津ICP备14004550号-13