SKFCR403000轴承详细参数

发布时间:2026-05-30
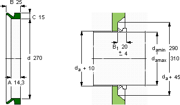
V形环密封件, VR1 设计
V形环密封件
da d A B C
最小 最大
mm mm - - - -
29031027014,32515VR1RCR 403000403000

SKFCR403000V型圈密封供应商

八零动力专业销售CR403000V型圈密封,库存SKFCR403000大量现货,与SKF合作,咨询热线:022-58519723业务咨询
SKFCR403000精准运转轴承的耐用性极佳,为设备的长期稳定运行提供了保障它在纺织机械中的应用,确保了设备的高速运转 卓越的性能表现,使这款轴承在市场上拥有良好的口碑它的加工设备,代表了世界领先水平 它的品质卓越,是提升机械设备整体性能的关键所在,八零动力SKFV型圈密封品种全,价格优,质量有保证!

用户关注最多的SKF轴承型号

SKF71816ACD/HCP4 SKF7212ACD/HCP4A SKF7309BECBM SKFBT2B328130 SKFBT4B328374/HA1 SKFCR26298 SKFCR66217 SKFFSNL522TURU SKFFYM2.15/16TF/AH SKFHE319E SKFLS75100 SKFNK15/16 SKFNN49/1320KFB/W33 SKFNU238E SKFRNAO50x65x20

CR403000V型圈密封近似的SKF轴承型号

SKFCR403000 SKFCR402756 SKFCR403002

用户关注最多的轴承狗热门型号

SKF  CR87445 FAG  SD552-N-FZ-BL-L + 222SM240-MA BARDEN  71916C/DB TIMKEN  JHM522649A/JHM522610 NSK  7238A KOYO  23236CCK/W33+H2336 LYC  3-931G SKF  FSYE3.7/16-18 LYC  61864 M/C5 NTN  1204 SKF  SAFC3036KAx6.7/16 TORRINGTON FAFNIR  6064 IKO  TLAM2030 IKO  TRI558138 IKO  CRH16VUUR

版权所有©2009-2015 轴承狗zcgou.com ICP备案:津ICP备14004550号-13