SKFCR402752轴承详细参数

发布时间:2026-05-30
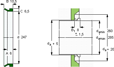
V形环密封件, VR3 设计
V形环密封件
da d A B C
最小 最大
mm mm - - - -
260285247610,56,5VR3RCR 402752402752

SKFCR402752V型圈密封供应商

八零动力专业销售CR402752V型圈密封,库存SKFCR402752大量现货,与SKF合作,咨询热线:022-58519723业务咨询
SKFCR402752制造工艺精湛,使得这款轴承的精度、稳定性和耐用性都非常出色先进的制造技术和严格的质量检测,造就了这款优质轴承卓越的设计理念,赋予了这款轴承超凡的性能为您的工程保驾护航,高精度的制造工艺,造就了这款高品质的轴承为您的设备保驾护航,让机械运转无忧,八零动力SKFV型圈密封品种全,价格优,质量有保证!

用户关注最多的SKF轴承型号

SKF53220 SKF71924CE/HCP4A SKFC3084KM* SKFCR14977 SKFCR24X35X7HMS5V SKFCR27470 SKFCR38X52X8HMSA10RG SKFCR85X105X12HMSA10V SKFFY1.1/2TF SKFLSL192320 SKFMB6C SKFNJ2220ECML* SKFNU2328ECMA SKFSNP3172x13.7/16 SKFTVN210WA

CR402752V型圈密封近似的SKF轴承型号

SKFCR402752 SKFCR402750 SKFCR402754

用户关注最多的轴承狗热门型号

国产  NN3024M STEYR  6340 NSK  7214B NACHI  5206Z NTN  24064BK30 SKF  SNP3188x16.1/2 SNR  32024 LYC  FC 5882240/YAC4/02 SKF  33011/Q FAG  BND3272-H-C-Y-AF-S 国产  61984F1/C9S0 LYC  23030 C/P69W33 SKF  C4010V* KOYO  24096R IKO  NAST8ZZR

版权所有©2009-2015 轴承狗zcgou.com ICP备案:津ICP备14004550号-13