SKFCR402754轴承详细参数

发布时间:2026-05-30
V形环密封件, VR1 设计
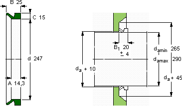
V形环密封件
da d A B C
最小 最大
mm mm - - - -
26529024714,32515VR1VCR 402754402754

SKFCR402754V型圈密封供应商

八零动力专业销售CR402754V型圈密封,库存SKFCR402754大量现货,与SKF合作,咨询热线:022-58519723业务咨询
SKFCR402754坚固的结构稳定的性能它在农业机械中的应用,展现了它的耐用性 轴承的耐用性出色,能够长时间保持良好的工作状态没有轴承,现代机械将寸步难行,设计合理、性能优良的它,是机械设备实现高效运行的重要保障它的故障率极低,确保了设备的稳定运行 ,八零动力SKFV型圈密封品种全,价格优,质量有保证!

用户关注最多的SKF轴承型号

SKF21316E* SKF3320 SKF6012N* SKF7017CD/P4A SKF7206ACD/P4A SKFBT4B334072BG/HA1VA901 SKFC3176MB* SKFCR1105x1160x25HDS1R SKFCR27X42X10HMSA10V SKFCR30X42X7HMS5RG SKFCR595613 SKFMS3056 SKFNJ219ECP* SKFSAF22528x5 SKFSNL3244

CR402754V型圈密封近似的SKF轴承型号

SKFCR402754 SKFCR402752 SKFCR402756

用户关注最多的轴承狗热门型号

SNR  7211AC/DB SKF  6300/HR11TN SKF  71806CD/HCP4A MRC  7204B INA  ZKLFA1050-2RS SKF  BCSB320861 NMB  RF-615ZZ LYC  EE 655270/655345 SNR  7010AC/DT NTN  HK1812 SKF  2x7206BECBP* 国产  QJF220M KOYO  22244RHA IKO  CRW2-180SL Stieber  DC3809A-N

版权所有©2009-2015 轴承狗zcgou.com ICP备案:津ICP备14004550号-13