SKFCR402750轴承详细参数

发布时间:2026-04-15
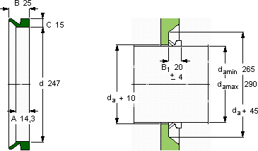
V形环密封件, VR1 设计
V形环密封件
da d A B C
最小 最大
mm mm - - - -
26529024714,32515VR1RCR 402750402750

SKFCR402750V型圈密封供应商

八零动力专业销售CR402750V型圈密封,库存SKFCR402750大量现货,与SKF合作,咨询热线:022-58519723业务咨询
SKFCR402750这轴承的制造工艺精湛,展现出了极高的工业水准精湛的制造工艺赋予了这款轴承卓越的性能和品质 承载未来是您设备高效运转的可靠伙伴,品质永相随它的材质选择,体现了对耐用性的极致追求 ,八零动力SKFV型圈密封品种全,价格优,质量有保证!

用户关注最多的SKF轴承型号

SKF23226-2CS5K/VT143* SKF30322J2 SKF62212-2RS1 SKF7317BEGAF SKFCR87434 SKFCR99640 SKFEE8TN9 SKFGEZ400TXA-2LS SKFHM911245/W/2/210/2/QCL7C SKFIR40x48x40 SKFK24x30x17 SKFMB20A SKFNNCF4852CV SKFNUP2213E SKFSIL8E

CR402750V型圈密封近似的SKF轴承型号

SKFCR402750 SKFCR402506 SKFCR402752

用户关注最多的轴承狗热门型号

NACHI  25577/25521 KOYO  23092RK+AHX3092 TIMKEN  23956YMB TIMKEN  EE126098/126149D/X1S-126098 SKF  N315E TIMKEN  368 /362AB SKF  SIA60TXE-2LS KOYO  22236CCK/W33 NSK  7211ATYNDBLP4 NSK  6316VV SKF  M45x1.5 FAG  SNV140-L + 2313-K-TVH-C3 + H2313X206 + TCV613 NSK  UCFL209D1 IKO  CF16WBUUR IKO  BHAM1416

版权所有©2009-2015 轴承狗zcgou.com ICP备案:津ICP备14004550号-13