SKFCR401994轴承详细参数

发布时间:2026-05-30
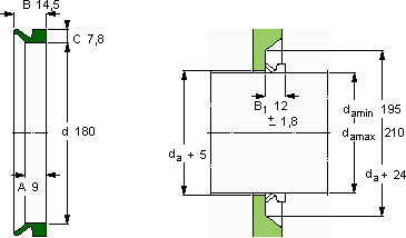
V形环密封件, VR1 设计
V形环密封件
da d A B C
最小 最大
mm mm - - - -
195210180914,57,8VR1VCR 401994401994

SKFCR401994V型圈密封供应商

八零动力专业销售CR401994V型圈密封,库存SKFCR401994大量现货,与SKF合作,咨询热线:022-58519723业务咨询
SKFCR401994制造工艺精湛,使得这款轴承的精度和稳定性都非常出色它的抗剪切性能,确保了它的结构稳定性 高品质的轴承,在复杂工况下也能展现出卓越的性能该轴承的性能出色,有效提升了机械设备的整体性能轴承的精度极高,使得设备的运行误差被控制在极小范围内它的材质选择,体现了对耐用性的极致追求 ,八零动力SKFV型圈密封品种全,价格优,质量有保证!

用户关注最多的SKF轴承型号

SKF23088CA/W33* SKF313450B SKF331656 SKF331682 SKF6019N SKF60/1060MB SKF61972 SKF7206C/DF SKF7213C/DT SKF7228C/DF SKFBT4B328912G/HA1VA901 SKFCR26122 SKFCR70x110x12.7CRWHA1R SKFFYNT40F SKFK50x55x20

CR401994V型圈密封近似的SKF轴承型号

SKFCR401994 SKFCR401991 SKFCR401995

用户关注最多的轴承狗热门型号

KOYO  23964RK+AH3964 SKF  617500 TIMKEN  15112/15251D/X1S-15112 KOYO  NJ209+HJ209 SKF  22226EK+H3126* 国产  381156 国产  609-2Z SKF  6224 TIMKEN  555-S/552A NTN  7224B/DB MRC  635-2RS NSK  60BER10XE NTN  NU10/500 KOYO  46T32211JR-1/48.5 FAG  SNV215-L + 21320-E1-K-TVPB + H320X310 + TCV620X310

版权所有©2009-2015 轴承狗zcgou.com ICP备案:津ICP备14004550号-13