SKFCR401995轴承详细参数

发布时间:2026-04-29
V形环密封件, VR2 设计
V形环密封件
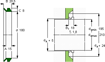
da d A B C
最小 最大
mm mm - - - -
1952101801520,58VR2VCR 401995401995

SKFCR401995V型圈密封供应商

八零动力专业销售CR401995V型圈密封,库存SKFCR401995大量现货,与SKF合作,咨询热线:022-58519723业务咨询
SKFCR401995它的品质卓越,为机械设备的高效运行提供了坚实后盾引领行业速度,我们的轴承始终稳如磐石卓越的性能和可靠的质量,让这款轴承成为市场的宠儿该轴承的性能卓越,完全满足了各种严苛工况的需求它的承载能力,堪称机械界的“大力士” 它的每一次转动,都是对效率的极致追求 ,八零动力SKFV型圈密封品种全,价格优,质量有保证!

用户关注最多的SKF轴承型号

SKF315513 SKF3213A SKFBT4B329004G/HA1VA901 SKFC3134* SKFCR12614 SKFCR20538 SKFCR25X42X6HMS5RG SKFCR45x72x8CRW1V SKFCR86240 SKFNATV8 SKFNKI10/20 SKFPCM323620B SKFPCZ3640B SKFQJ312MA* SKFSNW26x4.5/16

CR401995V型圈密封近似的SKF轴承型号

SKFCR401995 SKFCR401994 SKFCR402000

用户关注最多的轴承狗热门型号

NTN  22213CCK/W33 LYC  133.45.2500.03K4 MRC  7211AC/DB RHP  7000C/DT FAG  NUP2230-E-M1 SKF  IR25x30x20.5 LYC  NJ 2328 EM KOYO  3309A-2Z 国产  UCP306 FAG  HCB7206-C-T-P4S MRC  NU214 FAG  SNV130-L + 2312-TVH + DHV312 RIV  NU220 SKF  70/500AM LYC  370660-LS/HC/C9/P6

版权所有©2009-2015 轴承狗zcgou.com ICP备案:津ICP备14004550号-13