SKFCR401991轴承详细参数

发布时间:2026-04-15
V形环密封件, VR2 设计
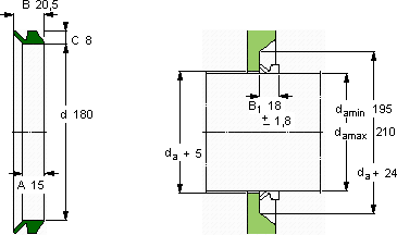
V形环密封件
da d A B C
最小 最大
mm mm - - - -
1952101801520,58VR2RCR 401991401991

SKFCR401991V型圈密封供应商

八零动力专业销售CR401991V型圈密封,库存SKFCR401991大量现货,与SKF合作,咨询热线:022-58519723业务咨询
SKFCR401991轴承的精度极高,使得设备的运行误差被控制在极小范围内它在家用电器中的应用,让生活更加便捷 质量无可挑剔的轴承,为设备的高效运作提供了有力支持它在风力发电中的应用,为清洁能源贡献力量 高品质的轴承,在各种复杂工况下都能展现出卓越的性能表现坚固的结构稳定的性能,八零动力SKFV型圈密封品种全,价格优,质量有保证!

用户关注最多的SKF轴承型号

SKF241/900ECAK30F/W33+AOH241/900 SKF32040 SKF3304A-2RS1/MT33* SKF3309DNRCBM SKF6009* SKF6211-2RS1/HC5C3WT SKF71905ACE/HCP4A SKFC3096KM+OH3096H* SKFCR18558 SKFCR86441 SKFCR99059 SKFE2.6306-2Z/C3 SKFNN3060K/SPW33 SKFNU314E SKFRNA4900.2RS

CR401991V型圈密封近似的SKF轴承型号

SKFCR401991 SKFCR401990 SKFCR401994

用户关注最多的轴承狗热门型号

NTN  NNU4964 FAG  SNV080-L + 1208-K-TVH-C3 + H208X104 + DH508X104 NACHI  5307N BARDEN  7230AC/DF 国产  UC214 NSK  NUP2317W SNR  32310 SKF  SIKAC6M TORRINGTON FAFNIR  6332 FAG  F518-B-L + 20218-K-MB-C3 BARDEN  7003C NSK  6212ZZ LYC  SF1-858060 IKO  BA248Z IKO  LRT809035

版权所有©2009-2015 轴承狗zcgou.com ICP备案:津ICP备14004550号-13