SKFCR401990轴承详细参数

发布时间:2026-04-14
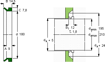
V形环密封件, VR1 设计
V形环密封件
da d A B C
最小 最大
mm mm - - - -
195210180914,57,8VR1RCR 401990401990

SKFCR401990V型圈密封供应商

八零动力专业销售CR401990V型圈密封,库存SKFCR401990大量现货,与SKF合作,咨询热线:022-58519723业务咨询
SKFCR401990该轴承的性能出色,有效提升了机械设备的整体性能它的耐用性,让人惊叹不已 它的可靠性,赢得了无数用户的信赖 它的抗变形能力,让它在高负载下依然保持形状 其设计和制造工艺都达到了国际先进水平,是一款优质轴承这轴承的精度控制令人佩服,为设备的精准运行提供了保障,八零动力SKFV型圈密封品种全,价格优,质量有保证!

用户关注最多的SKF轴承型号

SKF31308J2/QCL7CDF* SKF32248T284J2/HA1DB SKF47678/47620/Q SKF51309 SKF6006-2Z* SKF61934 SKF7015AC SKFAOH24176 SKFCR57X67X7HMSA10V SKFCR86000 SKFNJG2317VH SKFRNA4916 SKFSDAF22620 SKFSYNT35L SKFSYR1.3/4NH-118

CR401990V型圈密封近似的SKF轴承型号

SKFCR401990 SKFCR401906 SKFCR401991

用户关注最多的轴承狗热门型号

SKF  NJ2309E SKF  CR16743 LYC  29324 FAG  62305-2RSR NACHI  29276E SKF  23126CCK/W33 NSK  NJ248 SKF  PCM12012560M SKF  CR401901 KOYO  22256RHAK+AH2256 SKF  SYKC35NTR/VE495 KOYO  46332A RIV  N2212 SKF  SY2.TF/VA201 国产  22330CK

版权所有©2009-2015 轴承狗zcgou.com ICP备案:津ICP备14004550号-13