SKFCR401802轴承详细参数

发布时间:2026-05-30
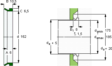
V形环密封件, VR3 设计
V形环密封件
da d A B C
最小 最大
mm mm - - - -
175185162610,56,5VR3RCR 401802401802

SKFCR401802V型圈密封供应商

八零动力专业销售CR401802V型圈密封,库存SKFCR401802大量现货,与SKF合作,咨询热线:022-58519723业务咨询
SKFCR401802转动世界的精密之选,它的耐腐蚀性,让它经久不衰 高品质的轴承,在复杂工况下也能展现出卓越的性能这轴承的设计精妙,充分考虑了各种实际应用需求该轴承的性能卓越,完全满足了各种严苛工况的需求它的抗剪切性能,确保了它的结构稳定性 ,八零动力SKFV型圈密封品种全,价格优,质量有保证!

用户关注最多的SKF轴承型号

SKF1309ETN9 SKF218NR SKF23236CCK/W33+H2336 SKF7202BEP SKFAXK6085 SKFBC4B322777/HB1 SKFCR15x25x7CRW1P SKFCR18912 SKFCR51x81x9.53CRWH1R SKFGEH90TXG3A-2LS SKFIR55x60x35 SKFNJ313ECJ* SKFSIL25ES SKFSNP3196x18 SKFSYFJ50TF

CR401802V型圈密封近似的SKF轴承型号

SKFCR401802 SKFCR401801 SKFCR401804

用户关注最多的轴承狗热门型号

LYC  61911 RIV  NJ2216 国产  K18*22*23ZW NACHI  NJ204E LYC  7397/2700GK1 SKF  71922ACD/P4A SNR  7336B/DT SKF  AS1730 TIMKEN  595/592D+X2S-595 TIMKEN  80FS120 SKF  6312-2ZNR TIMKEN  1380/1328 TIMKEN  475/472 RHP  7207B/DT FAG  23320-AS-MA-T41A

版权所有©2009-2015 轴承狗zcgou.com ICP备案:津ICP备14004550号-13