SKFCR401704轴承详细参数

发布时间:2026-04-14
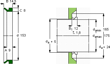
V形环密封件, VR1 设计
V形环密封件
da d A B C
最小 最大
mm mm - - - -
165175153914,58VR1VCR 401704401704

SKFCR401704V型圈密封供应商

八零动力专业销售CR401704V型圈密封,库存SKFCR401704大量现货,与SKF合作,咨询热线:022-58519723业务咨询
SKFCR401704它在机器人领域的应用,展现了它的高精密性 轴承的耐用性极佳,能够承受高强度的工作负荷它在矿山设备中的应用,确保了设备的高负载能力 其设计和制造都达到了极高的水准,是一款不可多得的轴承它的品质卓越,是提升机械设备整体性能的关键所在这轴承的设计巧妙,充分考虑了设备的运行需求和维护便利性,八零动力SKFV型圈密封品种全,价格优,质量有保证!

用户关注最多的SKF轴承型号

SKF30316J2 SKF618/8 SKFBT4B334016AG/HA1VA901 SKFBTM100A/HCP4CDBA SKFCR16x40x7CRWA1R SKFCR23240 SKFCR400x450x25HS5R SKFCR45X65X7HMSA7P2R SKFFYT5/8TF/AH SKFN02 SKFNNF5014ADA-2LSV SKFNU2320ECM* SKFOKC190 SKFPCM121408E SKFPCMF202315B

CR401704V型圈密封近似的SKF轴承型号

SKFCR401704 SKFCR401702 SKFCR401705

用户关注最多的轴承狗热门型号

国产  29360 KOYO  NF306 SKF  CR62x80x8CRW1R TIMKEN  H247535/H247510 STEYR  6310-2RS INA  SD32X42X4 KOYO  6232 LYC  7020 ACTA/P4TBTB INA  BK2538-ZW NSK  NUP224W INA  HK2526 国产  NUP226E STEYR  6302-2Z GMN  7030C/DF NACHI  22316EXK

版权所有©2009-2015 轴承狗zcgou.com ICP备案:津ICP备14004550号-13