SKFCR401605轴承详细参数

发布时间:2026-04-14
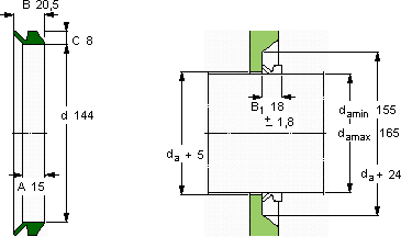
V形环密封件, VR2 设计
V形环密封件
da d A B C
最小 最大
mm mm - - - -
1551651441520,58VR2VCR 401605401605

SKFCR401605V型圈密封供应商

八零动力专业销售CR401605V型圈密封,库存SKFCR401605大量现货,与SKF合作,咨询热线:022-58519723业务咨询
SKFCR401605转动的艺术它的精密制造工艺,让人叹为观止 设计合理、性能优良的它,是机械设备实现高效运行的重要保障它在农业机械中的应用,展现了它的耐用性 它的精密设计,展现了人类智慧的巅峰 该轴承的性能卓越,完全满足了各种严苛工况的需求,八零动力SKFV型圈密封品种全,价格优,质量有保证!

用户关注最多的SKF轴承型号

SKF22264CACK/W33 SKF32922X/Q SKF61813-RS SKF6302/HR11QN SKF7020CD/P4A SKFAOH3276G SKFBT4B328345/HA1 SKFBT4B328817EX1/C475* SKFCR1225239 SKFFYC30TF SKFN334E SKFNNU6934M SKFQJ215 SKFSAFC2618x3.1/16 SKFSDAF22617x3

CR401605V型圈密封近似的SKF轴承型号

SKFCR401605 SKFCR401604 SKFCR401606

用户关注最多的轴承狗热门型号

SKF  NK90/35 KOYO  NU2317 LYC  NJ 2308 E/C3 SKF  FY1.1/2WF FAG  HCB71914-C-T-P4S INA  KTN16-C-PP-AS 国产  NF316ETN1 SNR  3220 SKF  PCMF252816.5B FAG  H305X013 INA  RWU55-E-KT-L TIMKEN  LM772748/LM772710CD+LM772748XB SKF  CR52X65X8HMSA10RG 国产  QJF3938X3 KOYO  529X/522

版权所有©2009-2015 轴承狗zcgou.com ICP备案:津ICP备14004550号-13