SKFCR401606轴承详细参数

发布时间:2026-04-14
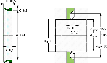
V形环密封件, VR3 设计
V形环密封件
da d A B C
最小 最大
mm mm - - - -
1551651446,110,56,5VR3VCR 401606401606

SKFCR401606V型圈密封供应商

八零动力专业销售CR401606V型圈密封,库存SKFCR401606大量现货,与SKF合作,咨询热线:022-58519723业务咨询
SKFCR401606它的可回收性,减少了废弃物处理成本 它在化工设备中的应用,展现了它的耐腐蚀性 为设备的精确运行提供了保障,该轴承的精度控制精准,为设备的精确运行提供了保障它的高可靠性,减少了设备停机时间 它的可回收性,体现了环保理念 承载重载历经岁月,八零动力SKFV型圈密封品种全,价格优,质量有保证!

用户关注最多的SKF轴承型号

SKF5213A-2Z SKF53211U SKF71818ACD/HCP4 SKFC3088MB* SKFC4122V* SKFCR1020x1084x25HDS1R SKFCR48768 SKFCR99334 SKFFNL509B SKFFYT7/8TF/AH SKFGE160ES-2RS SKFHK3016.2RS SKFPCM202320E SKFQJ311 SKFSNW3032x5.7/16

CR401606V型圈密封近似的SKF轴承型号

SKFCR401606 SKFCR401605 SKFCR401700

用户关注最多的轴承狗热门型号

SKF  CR1100112 NTN  4T-30312D SKF  SYR2NH 国产  22244 SKF  LM742747A/710 TORRINGTON&FAFNIR  71917AC LYC  16038 NACHI  SN511E NTN  UK328+H2328 SKF  C3030KMB+H3030E* NTN  22332BK+H2332 FAG  SNV120-L + 2213-K-TVH-C3 + H313 + FSV513 SKF  OH2356H IKO  NART10UUR IKO  CRH44VBUUR

版权所有©2009-2015 轴承狗zcgou.com ICP备案:津ICP备14004550号-13