SKFCR401405轴承详细参数

发布时间:2026-04-14
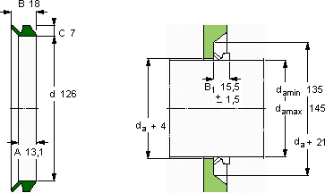
V形环密封件, VR2 设计
V形环密封件
da d A B C
最小 最大
mm mm - - - -
13514512613,1187VR2VCR 401405401405

SKFCR401405V型圈密封供应商

八零动力专业销售CR401405V型圈密封,库存SKFCR401405大量现货,与SKF合作,咨询热线:022-58519723业务咨询
SKFCR401405其设计和制造都达到了极高的水准,是一款不可多得的轴承轴承的精度和稳定性都达到了行业顶尖水平优秀的设计理念和精湛的制造工艺,成就了这款杰出的轴承转动不停歇它机械世界的心脏,默默支撑着无数设备的运转 它的加工精度,确保了机械运转的稳定性 ,八零动力SKFV型圈密封品种全,价格优,质量有保证!

用户关注最多的SKF轴承型号

SKF307101C SKF31322XJ2/DF SKF6207-2RS SKF6212-2RS1* SKFBSR-8001 SKFCR1475420 SKFCR38.5X58X7HMSA10V SKFCR52443 SKFCR53701 SKFCR85038 SKFNCF28/710V SKFNF307ECP* SKFNJ312ECP SKFSNL3280GF SKFSNL516-613

CR401405V型圈密封近似的SKF轴承型号

SKFCR401405 SKFCR401404 SKFCR401406

用户关注最多的轴承狗热门型号

INA  GAKR5-PW INA  ABE.KWE30-FE-FPM FAG  51236-MP KOYO  RS485313 LYC  382044/YB2 SKF  PCM101210B SKF  PCM105110115E FAG  BND3168-H-W-T-BF-S MRC  7240B/DT INA  RUE55-E-KT-L FAG  LOE217-N-BL-L FAG  SNV140-L + 20216-K-TVP-C3 + H216 + DH516 TIMKEN  23132YM TIMKEN  EE450601/451215CD+X7S-450601 IKO  LRT172226

版权所有©2009-2015 轴承狗zcgou.com ICP备案:津ICP备14004550号-13