SKFCR401406轴承详细参数

发布时间:2026-04-14
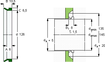
V形环密封件, VR3 设计
V形环密封件
da d A B C
最小 最大
mm mm - - - -
135145126610,56,5VR3VCR 401406401406

SKFCR401406V型圈密封供应商

八零动力专业销售CR401406V型圈密封,库存SKFCR401406大量现货,与SKF合作,咨询热线:022-58519723业务咨询
SKFCR401406轴承的选材精良,确保了其具有良好的耐磨性和抗腐蚀性它的稳定性,让它在各种环境下都能可靠工作 它的设计巧妙,在保证性能的同时,还兼顾了安装的便捷性它的表面硬化处理,延长了它的使用寿命 持久转动设计独特的轴承,不仅性能优越,还具有很高的性价比,八零动力SKFV型圈密封品种全,价格优,质量有保证!

用户关注最多的SKF轴承型号

SKF22356CC/W33 SKF71806CD/HCP4A SKF7209BECBY SKFCR10x26x7HMS4R SKFCR19596 SKFCR26260 SKFCR400184 SKFCR45X60X10HMSA10RG SKFCR73X95X10CRSH13R SKFHMV47E SKFLL483449/418 SKFNJ2319E+HJ2319E SKFNU2222ECP* SKFNUP2208E SKFS71913FB/P7

CR401406V型圈密封近似的SKF轴承型号

SKFCR401406 SKFCR401405 SKFCR401500

用户关注最多的轴承狗热门型号

LYC  FC 5274220/P6 TORRINGTON FAFNIR  3213A SKF  61806 MAC  NU208 STEYR  6216-Z SKF  CR30X42X7HMSA10RG NTN  6910N LYC  46T504125GWH SKF  241/710ECAK30/W33 TIMKEN  67989/67919 SKF  CR32X72X7HMS5V SKF  NNU4934/W33 NSK  N1016BTKR TIMKEN  45FS68 IKO  CRWM1-60

版权所有©2009-2015 轴承狗zcgou.com ICP备案:津ICP备14004550号-13