SKFCR401404轴承详细参数

发布时间:2026-05-29
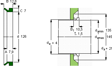
V形环密封件, VR1 设计
V形环密封件
da d A B C
最小 最大
mm mm - - - -
1351451267,912,87VR1VCR 401404401404

SKFCR401404V型圈密封供应商

八零动力专业销售CR401404V型圈密封,库存SKFCR401404大量现货,与SKF合作,咨询热线:022-58519723业务咨询
SKFCR401404这轴承的设计巧妙,充分考虑了设备的运行需求和维护便利性它的耐用性,赢得了无数用户的信赖 这轴承的设计精妙,充分考虑了各种实际应用需求它的轴向跳动控制,确保了机械的平稳运行 这款轴承的性能卓越,有效提高了设备的运行可靠性这轴承的选材讲究,坚固耐用,寿命远超同类产品,八零动力SKFV型圈密封品种全,价格优,质量有保证!

用户关注最多的SKF轴承型号

SKF1307ETN9 SKF24036CCK30/W33 SKF24084ECAK30/W33* SKF614609 SKFAOH241/500 SKF81234M SKFAOHX30/560 SKFCR18808 SKFCR350x380x16HDS2V SKFCR400105 SKFCR593357 SKFNN3030K/SPW33 SKFNUP2328E SKFQJ1252N2MA SKFSNW24x4.1/4

CR401404V型圈密封近似的SKF轴承型号

SKFCR401404 SKFCR401402 SKFCR401405

用户关注最多的轴承狗热门型号

TIMKEN  55187/55443 国产  628/7-Z 国产  RNA354530 TORRINGTON&FAFNIR  6040 SNR  6007-2Z NTN  NUP1028 LYC  22214 CK/C2 FAG  22311-E1 NACHI  7336BDT SKF  C3138K+H3138L* FYH  UCFU306 SKF  7222BEGBF DKF  7240B/DF LYC  6314 E/Z2 IKO  NA4926

版权所有©2009-2015 轴承狗zcgou.com ICP备案:津ICP备14004550号-13