SKFCR401401轴承详细参数

发布时间:2026-05-30
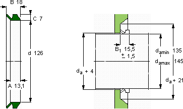
V形环密封件, VR2 设计
V形环密封件
da d A B C
最小 最大
mm mm - - - -
13514512613,1187VR2RCR 401401401401

SKFCR401401V型圈密封供应商

八零动力专业销售CR401401V型圈密封,库存SKFCR401401大量现货,与SKF合作,咨询热线:022-58519723业务咨询
SKFCR401401它的可回收性,体现了环保理念 它的质量卓越,为机械设备的安全运行保驾护航成就非凡转动体验让您的设备一顺到底,精湛的工艺打造出的轴承,精度和稳定性都令人称赞是您值得信赖的工业伙伴,为您的机械保驾护航它在纺织机械中的应用,确保了设备的高速运转 ,八零动力SKFV型圈密封品种全,价格优,质量有保证!

用户关注最多的SKF轴承型号

SKF1209EKTN9+H209 SKF1210ETN9 SKF2207K+H307 SKF22336CCJA/W33VA406* SKF68450/68712 SKFC30/630M* SKFCR1100257 SKFCR50X80X10HMS5RG SKFCR65x80x8CRW1R SKFFSAF1315 SKFFYJ40TF SKFFYTJ20TF SKFNK6/12TN SKFPCM404420M SKFSC71920FB/P7

CR401401V型圈密封近似的SKF轴承型号

SKFCR401401 SKFCR401400 SKFCR401402

用户关注最多的轴承狗热门型号

INA  SL04170-PP KOYO  33111 NTN  NJ2238 MRC  7228C TIMKEN  KM19 SKF  6221 SKF  3317A NTN  6820NR NSK  53428XM TIMKEN  HM252348/HM252310CD LYC  NNU 4952 K/W33 SKF  CR15x25x7CRW1P KOYO  23038RHA IKO  CFE6B IKO  CRW1-70SL

版权所有©2009-2015 轴承狗zcgou.com ICP备案:津ICP备14004550号-13