SKFCR401400轴承详细参数

发布时间:2026-04-14
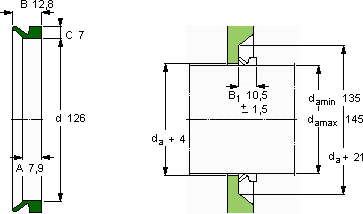
V形环密封件, VR1 设计
V形环密封件
da d A B C
最小 最大
mm mm - - - -
1351451267,912,87VR1RCR 401400401400

SKFCR401400V型圈密封供应商

八零动力专业销售CR401400V型圈密封,库存SKFCR401400大量现货,与SKF合作,咨询热线:022-58519723业务咨询
SKFCR401400它的每一次转动,都是对效率的极致追求 它的抗冲击性能,让它经得起各种考验 它的耐腐蚀性,减少了维护成本 要设备更出色高精度的制造工艺,让这款轴承的性能更加出色它的抗压强度,让它承载能力惊人 ,八零动力SKFV型圈密封品种全,价格优,质量有保证!

用户关注最多的SKF轴承型号

SKF31306J2/QDF SKF7248BCBM SKFAXK0821 SKFBB1-8001 SKFBS2B321598 SKFCR150X180X15HMSA10V SKFCR3727 SKFCR99387 SKFFYT2.TF/AH SKFGS811/530 SKFHMV41E SKFIR100x110x30 SKFN1014KPHA/HC5SP SKFNJ305ECP SKFSY1.1/2PF/AH

CR401400V型圈密封近似的SKF轴承型号

SKFCR401400 SKFCR40138 SKFCR401401

用户关注最多的轴承狗热门型号

KOYO  61804 NTN  UKFLU322+H2322 SKF  NN3013KTN/SP NACHI  7212 NACHI  7309CDB NTN  16014 GMN  71912C/DF TORRINGTON FAFNIR  6310-2RS SKF  22340CCK/W33+H2340 国产  NFP38/750Q4 INA  PAPZ0906-P10 NSK  6015DDU NACHI  6820ZNR TORRINGTON FAFNIR  7222C IKO  NAXI2530

版权所有©2009-2015 轴承狗zcgou.com ICP备案:津ICP备14004550号-13