SKF294/710EF轴承详细参数

发布时间:2026-05-30
球面滚子推力轴承, 球面滚子推力轴承
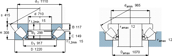
主要数据尺寸 尺寸 [英寸] 疲劳负荷限值 最小负荷系数 额定速度 体积 型号
动态 静态 参照速度 限制速度
d D H C C0 Pu
mm kN kN - r/min kg -
7101220308176007650050005602204301500294/710 EF

SKF294/710EF球面滚子推力轴承供应商

八零动力专业销售294/710EF球面滚子推力轴承,库存SKF294/710EF大量现货,与SKF合作,咨询热线:022-58519723业务咨询
SKF294/710EF这款轴承的性能卓越,有效提升了设备的整体性能和可靠性它的轴向跳动控制,确保了机械的平稳运行 先进的制造技术和严格的质量检测,造就了这款优质轴承出色的性能表现,让这款轴承成为行业内的明星产品,它在航空航天领域的应用,展现了它的高可靠性 质量上乘的轴承,是提升机械设备性能的关键因素,八零动力SKF球面滚子推力轴承品种全,价格优,质量有保证!

用户关注最多的SKF轴承型号

SKF3304A-2RS1/MT33* SKF51306V/HR22T2 SKF5214A SKF6010/HR22T2 SKF6021-RS SKF613328A SKF61888MA SKF7205BECBM* SKF71919DB/P7 SKF7306BECBM* SKFCR21048 SKFFSAF22517 SKFFYT1.3/4TF SKFNU2311ECML* SKFSDAFS22522x3.13/16

294/710EF球面滚子推力轴承近似的SKF轴承型号

SKF294/750EF SKF294/710EF SKF294/560EM SKF29416E* SKF29468E SKF29426E* SKF29412E* SKF29434E* SKF29432E* SKF294/850EF SKF33113 SKF294/750EF

用户关注最多的轴承狗热门型号

STEYR  NJ228E SKF  WS81109 TIMKEN  33889/33821 国产  6220-Z SNR  60/28-Z TIMKEN  K18X22X13H 国产  6206E STEYR  NU2215E TIMKEN  32026X /32026X STEYR  1222K INA  WS81117 SKF  N1010KTN/SP ZKL  NU321 INA  MVH.TSX35-D-A IKO  GE60EC-2RS

版权所有©2009-2015 轴承狗zcgou.com ICP备案:津ICP备14004550号-13