SKFCR401305轴承详细参数

发布时间:2026-04-14
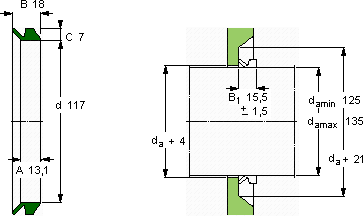
V形环密封件, VR2 设计
V形环密封件
da d A B C
最小 最大
mm mm - - - -
12513511713,1187VR2VCR 401305401305

SKFCR401305V型圈密封供应商

八零动力专业销售CR401305V型圈密封,库存SKFCR401305大量现货,与SKF合作,咨询热线:022-58519723业务咨询
SKFCR401305它的抗氧化性能,延长了它的使用寿命 精湛的工艺打造出的轴承,精度和稳定性都令人称赞它的质量卓越,为机械设备的安全运行保驾护航它的抗冲击性能,让它经得起各种考验 制造工艺先进,使得这款轴承的性能远超普通产品引领转动新潮流,,八零动力SKFV型圈密封品种全,价格优,质量有保证!

用户关注最多的SKF轴承型号

SKF3780/3720/Q SKF6004-RSH* SKF7024AC/DB SKF71932AC SKFBT4B331161BG/HA1 SKFC2220K+AHX320* SKFCR14762 SKFFSAF22616x2.3/4 SKFHE215 SKFJLM508748/710/Q SKFPCM353920E SKFRN-1.5x9.8BF/G2 SKFSC71918FB/P7 SKFSYH1.5/8TF/AH SKFT7FC045/HN3QCL7C

CR401305V型圈密封近似的SKF轴承型号

SKFCR401305 SKFCR401304 SKFCR40138

用户关注最多的轴承狗热门型号

KOYO  29448R 国产  NJ217E GMN  71936C/DT TIMKEN  36686 /36620-B SKF  NNCL4868CV FAG  7603085-TVP KOYO  NJ238 SKF  315982 KOYO  24140RHA INA  SCE109-P SKF  NNCL4922CV NSK  23940CAE4 MRC  NU420 SKF  NUB215ECJ IKO  CR8-1VBR

版权所有©2009-2015 轴承狗zcgou.com ICP备案:津ICP备14004550号-13