SKFCR401304轴承详细参数

发布时间:2026-04-14
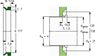
V形环密封件, VR1 设计
V形环密封件
da d A B C
最小 最大
mm mm - - - -
1251351177,912,87VR1VCR 401304401304

SKFCR401304V型圈密封供应商

八零动力专业销售CR401304V型圈密封,库存SKFCR401304大量现货,与SKF合作,咨询热线:022-58519723业务咨询
SKFCR401304轴承的选材优质,确保了其在各种环境下都能稳定工作制造工艺精湛,使得这款轴承的精度、稳定性和耐用性都非常出色它的稳定性,让它在各种环境下都能可靠工作 它机械世界的心脏,默默支撑着无数设备的运转 这款轴承的精度极高,能够满足对精度要求苛刻的设备它的加工设备,代表了世界领先水平 ,八零动力SKFV型圈密封品种全,价格优,质量有保证!

用户关注最多的SKF轴承型号

SKF22215CCK/W33+H315 SKF32215 SKF331657 SKF6008-2Z/VA208 SKF7215ACD/P4A SKFAH316 SKFBC1B322770A/HB1 SKFCR26128 SKFCR27X43X7HMS5RG SKFCR34x56x8CRW1V SKFNJ2316ECM* SKFNJ407+HJ407 SKFRIS208A SKFSAF23030KAx5.3/16 SKFTVN214WA

CR401304V型圈密封近似的SKF轴承型号

SKFCR401304 SKFCR401301 SKFCR401305

用户关注最多的轴承狗热门型号

NSK  F697VV LYC  22206/P5 ZKL  N230 RIV  NJ2218 TIMKEN  799/792 SKF  IR180x195x45 国产  22228C FAG  H218X302 SNR  7307B/DF FAG  234719-M-SP SKF  C4910K30V* SKF  SDAF23088 KOYO  NJ234 SKF  CR400x450x20HDS1R IKO  CF8FBR

版权所有©2009-2015 轴承狗zcgou.com ICP备案:津ICP备14004550号-13