SKFCR401301轴承详细参数

发布时间:2026-05-30
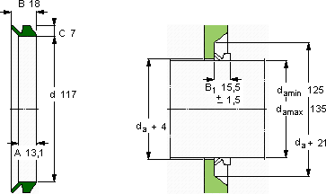
V形环密封件, VR2 设计
V形环密封件
da d A B C
最小 最大
mm mm - - - -
12513511713,1187VR2RCR 401301401301

SKFCR401301V型圈密封供应商

八零动力专业销售CR401301V型圈密封,库存SKFCR401301大量现货,与SKF合作,咨询热线:022-58519723业务咨询
SKFCR401301它的抗疲劳性能,确保了长期使用的可靠性 它在航空航天领域的应用,展现了它的高可靠性 它在船舶工业中的应用,展现了它的耐腐蚀性 它的故障率极低,确保了设备的稳定运行 开启顺畅运行新时代,它的滚动体与沟槽的配合,堪称完美 ,八零动力SKFV型圈密封品种全,价格优,质量有保证!

用户关注最多的SKF轴承型号

SKF61802-2Z SKF6310-2Z/VA208 SKF71930AC SKF71938ACD/P4A SKFCR20X38X7HMSA10RG SKFCR38774 SKFFNL505B SKFFYR3.11/16H-3 SKFGS81103 SKFN2310 SKFNCF1864V SKFNJ324E SKFNNCF5008CV SKFSC7015DB/P7 SKFYAR210-112-2F

CR401301V型圈密封近似的SKF轴承型号

SKFCR401301 SKFCR401300 SKFCR401304

用户关注最多的轴承狗热门型号

KOYO  6316-RS RHP  6002-2RS SKF  CR130X160X13CRS1R SKF  6096MB LYC  NN 4934 K/P4W33 INA  G1103-KRR-B-AS2/V SKF  22228CCK/W33+H3128 NTN  234416B SKF  CR135X170X12HMS5RG TIMKEN  546/533D TIMKEN  1779/1729 TIMKEN  M88048-S/M88010 SKF  29448 ZKL  NJ2217 SKF  51107V/HR11T1

版权所有©2009-2015 轴承狗zcgou.com ICP备案:津ICP备14004550号-13