SKFCR401101轴承详细参数

发布时间:2026-05-29
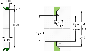
V形环密封件, VR2 设计
V形环密封件
da d A B C
最小 最大
mm mm - - - -
1051159913,1187VR2RCR 401101401101

SKFCR401101V型圈密封供应商

八零动力专业销售CR401101V型圈密封,库存SKFCR401101大量现货,与SKF合作,咨询热线:022-58519723业务咨询
SKFCR401101它的抗冲击能力,让它经久不衰 它的制造工艺,堪称工业艺术的典范 品质永相随它的使用寿命,远超同类产品 它的品质卓越,为机械设备的高效、稳定运行保驾护航这轴承的精度控制令人佩服,为设备的精准运行提供了保障,八零动力SKFV型圈密封品种全,价格优,质量有保证!

用户关注最多的SKF轴承型号

SKF29440 SKF71907C/DB SKF81226TN SKFC4032K30V* SKFBS2B243120 SKFBT4B334144G/HA1VA901 SKFCR20X35X6HMS5RG SKFCR35X48X8HMSA10V SKFCR55X75X10HMS5RG SKFNK47/20 SKFNKI6/12 SKFNNC4938CV SKFPCM105110115B SKFPCM131520B SKFS71924FB/P7

CR401101V型圈密封近似的SKF轴承型号

SKFCR401101 SKFCR401100 SKFCR401104

用户关注最多的轴承狗热门型号

TIMKEN  2780/2729 SKF  307 INA  MKVD25 TIMKEN  1107KLLB SKF  51072F DKF  7324AC/DT TIMKEN  780/773DC RHP  NF211 SKF  CR26X34X4HM4R FAG  23220-E1-K-TVPB + H2320 STEYR  NUP204E RHP  7206B/DB SKF  24126CC/W33 SKF  PCMF101207B IKO  NA495

版权所有©2009-2015 轴承狗zcgou.com ICP备案:津ICP备14004550号-13