SKFCR400854轴承详细参数

发布时间:2026-04-26
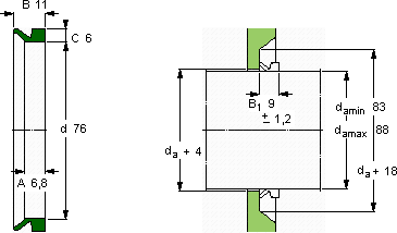
V形环密封件, VR1 设计
V形环密封件
da d A B C
最小 最大
mm mm - - - -
8388766,8116VR1VCR 400854400854

SKFCR400854V型圈密封供应商

八零动力专业销售CR400854V型圈密封,库存SKFCR400854大量现货,与SKF合作,咨询热线:022-58519723业务咨询
SKFCR400854让您的设备高效运行,零误差起步它的滚动体分布均匀,运转平稳无振动 它的静音设计,让机械运转如丝般顺滑 它的精密测量技术,确保了每一件产品的品质 承载重载历经岁月,八零动力SKFV型圈密封品种全,价格优,质量有保证!

用户关注最多的SKF轴承型号

SKF230/630CAK/W33+OH30/630H* SKF23148CC/W33 SKF249/1180CAK30F/W33 SKF32217J2/Q SKF6003-2RSH* SKF71913CD/P4A SKF812/950M SKFAOH3080G SKFC7006FB/P7 SKFCR1400549 SKFCR400050 SKFN1010KPHA/HC5SP SKFN530 SKFOKC800 SKFPCMF182012E

CR400854V型圈密封近似的SKF轴承型号

SKFCR400854 SKFCR400851 SKFCR400855

用户关注最多的轴承狗热门型号

SKF  NJ2207ECPH* LYC  130.50.3150.12K3 NTN  LH-22209C NTN  NUP1010 KOYO  23096RK+AHX3096 国产  6208-ZNR NACHI  23176EW33 NSK  53212 SKF  PCM808580M SKF  CR99096 NTN  6210LLH SKF  32215T80J2/QDB FAG  NU2224-E-TVP2 SKF  SDAF22622x3.7/8 IKO  BRI82016U

版权所有©2009-2015 轴承狗zcgou.com ICP备案:津ICP备14004550号-13