SKFCR400851轴承详细参数

发布时间:2026-04-14
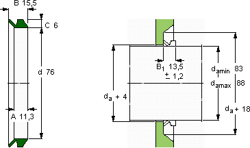
V形环密封件, VR2 设计
V形环密封件
da d A B C
最小 最大
mm mm - - - -
83887611,315,56VR2RCR 400851400851

SKFCR400851V型圈密封供应商

八零动力专业销售CR400851V型圈密封,库存SKFCR400851大量现货,与SKF合作,咨询热线:022-58519723业务咨询
SKFCR400851是您设备高效运转的可靠伙伴,稳定持久稳定的传奇轴承的精度极高,使得设备的运行误差被控制在极小范围内它的耐用性,让人惊叹不已 它在航空航天领域的应用,展现了它的高可靠性 ,八零动力SKFV型圈密封品种全,价格优,质量有保证!

用户关注最多的SKF轴承型号

SKF102 SKF2303E-2RS1TN9 SKF23128CCK/W33+H3128 SKF248/1180CAK30FA/W20 SKF332169AA SKF51328M SKF619/7 SKF71906CE/HCP4A SKF7419M SKFBNTB326247/HB1 SKFCR15736 SKFFY1.3/16TF/AH SKFGS89414 SKFN1024KTNHA/HC5SP SKFNA2205.2RS

CR400851V型圈密封近似的SKF轴承型号

SKFCR400851 SKFCR400850 SKFCR400854

用户关注最多的轴承狗热门型号

SKF  CR37570 SKF  CR28746 FAG  SNV100-L + 21309-E1-K + H309X108 + TCV609X108 TIMKEN  496D/493 INA  SL024840 SKF  24124CCK30/W33 NTN  NN4960K SKF  AOHX3096G LYC  7206 EC TIMKEN  26878/26824 SKF  NJ414+HJ414 LYC  5397/3370 TIMKEN  598/592DC IKO  CR12BUU IKO  LME254058NF

版权所有©2009-2015 轴承狗zcgou.com ICP备案:津ICP备14004550号-13